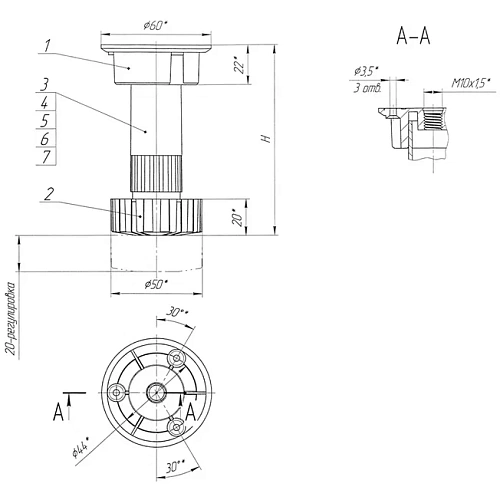
Масса
43
Материал
Пластик
